手机版
网站首页
公司简介
华卡尔简介
产品展示
密封圈
密封垫片
氟塑料
GARLOCK产品
公司新闻
技术资料
联系我们
站内搜索
联系我们
联系人:
胡先生
手机:
13925296987
电话:
0755-83493081
邮件:
sales@dao1.com
邮政编码:
518000
网址:
http://www.dao1.com
地址:
深圳市龙岗区坂田街道马安堂社区环城南路15号恒大都会广场1栋2502 ,工厂地址:佛山顺德区杏坛镇顺德高新产业中心中南高科产业园22栋
当前位置:
网站首页
>>
技术资料
>>
查看详情
技术资料
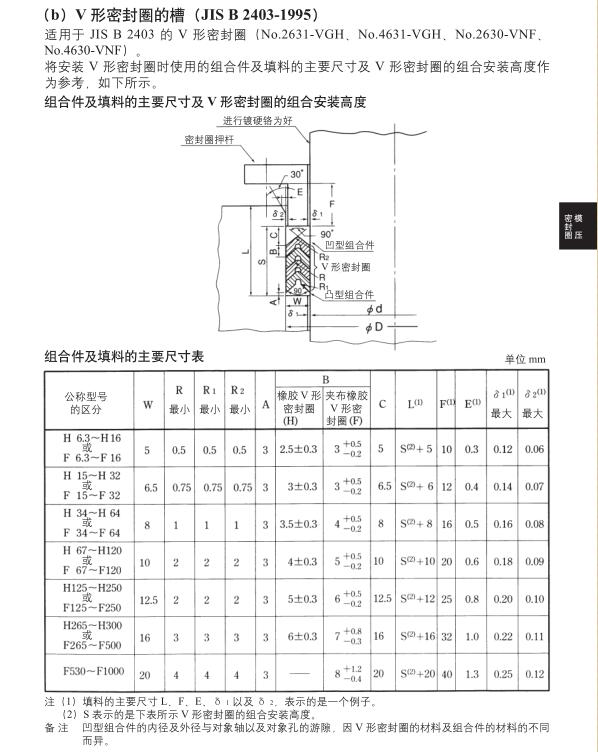
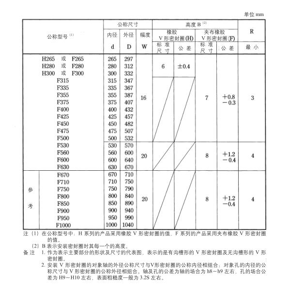
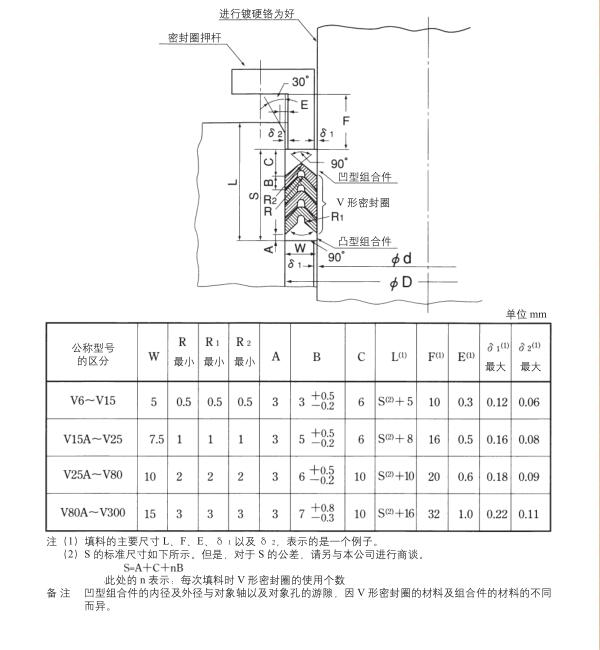
V型及MV型密封圈设计手册(V型规格尺寸表、MV型规格尺寸表)
来源:
深圳市道一密封材料有限公司
日期:
2018-04-14 11:56:15
点击:
12718
属于:
技术资料
上一新闻:
华尔卡O型密封圈设计使用手册(P系列规格尺寸表、G系列规格尺寸表、AS568系列规格尺寸表)
下一新闻:
华尔卡密封圈尺寸表(UHS系列、UNS系列、UHP系列、UNP系列、UHR系列、UNR系列、DHS系列)
友情链接
腾讯新闻
中国新闻网
网站首页
|
公司简介
|
华卡尔简介
|
产品展示
|
公司新闻
|
技术资料
|
联系我们
联系人:
胡先生
手机:
13925296987
电话:
0755-83493081
邮件:
sales@dao1.com
网址:
http://www.dao1.com
地址:
深圳市龙岗区坂田街道马安堂社区环城南路15号恒大都会广场1栋2502 ,工厂地址:佛山顺德区杏坛镇顺德高新产业中心中南高科产业园22栋
深圳市道一密封材料有限公司/广东道成密封技术有限公司
版权所有 2023-2028
粤ICP备18050964号-1
技术支持:
友点软件